首页
通知公告
赛事动态
大赛推荐服务机构
51强项目线上展厅
历届赛事云展厅
大赛数据看板
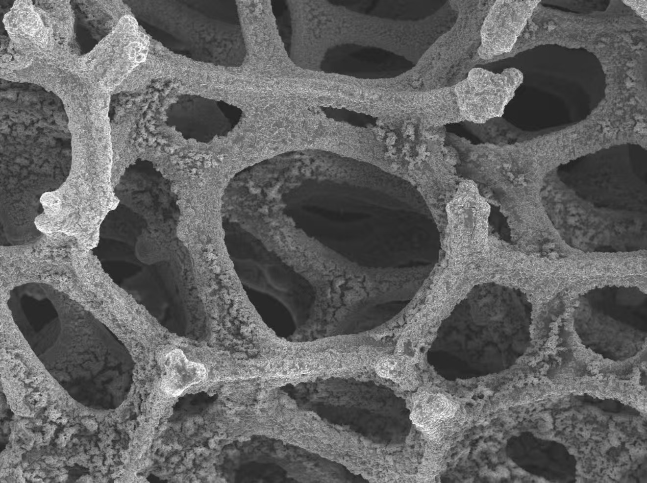
定向堆叠复合镍基电极制造技术
企业:湖南恒汇科研院新能源有限公司
湖南恒汇科研院攻克碱性电解水制氢核心部件——电极,团队突破性研发“定向堆叠复合镍基电极技术”,摒弃高温高压,在温和条件下不仅实现了催化层的高度均匀、稳定负载,更精准构建出微纳米活性表面,从而显著提升电极性能及其稳定性。